Документы FUKU JU
Оригинал патента. № 4540376 光英科学研究所製法特許詳細
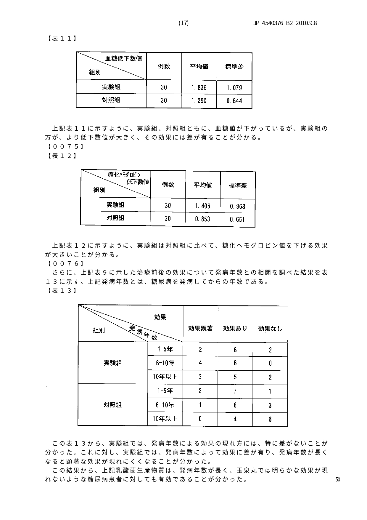
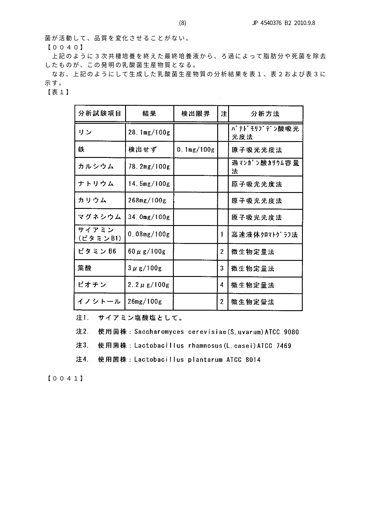
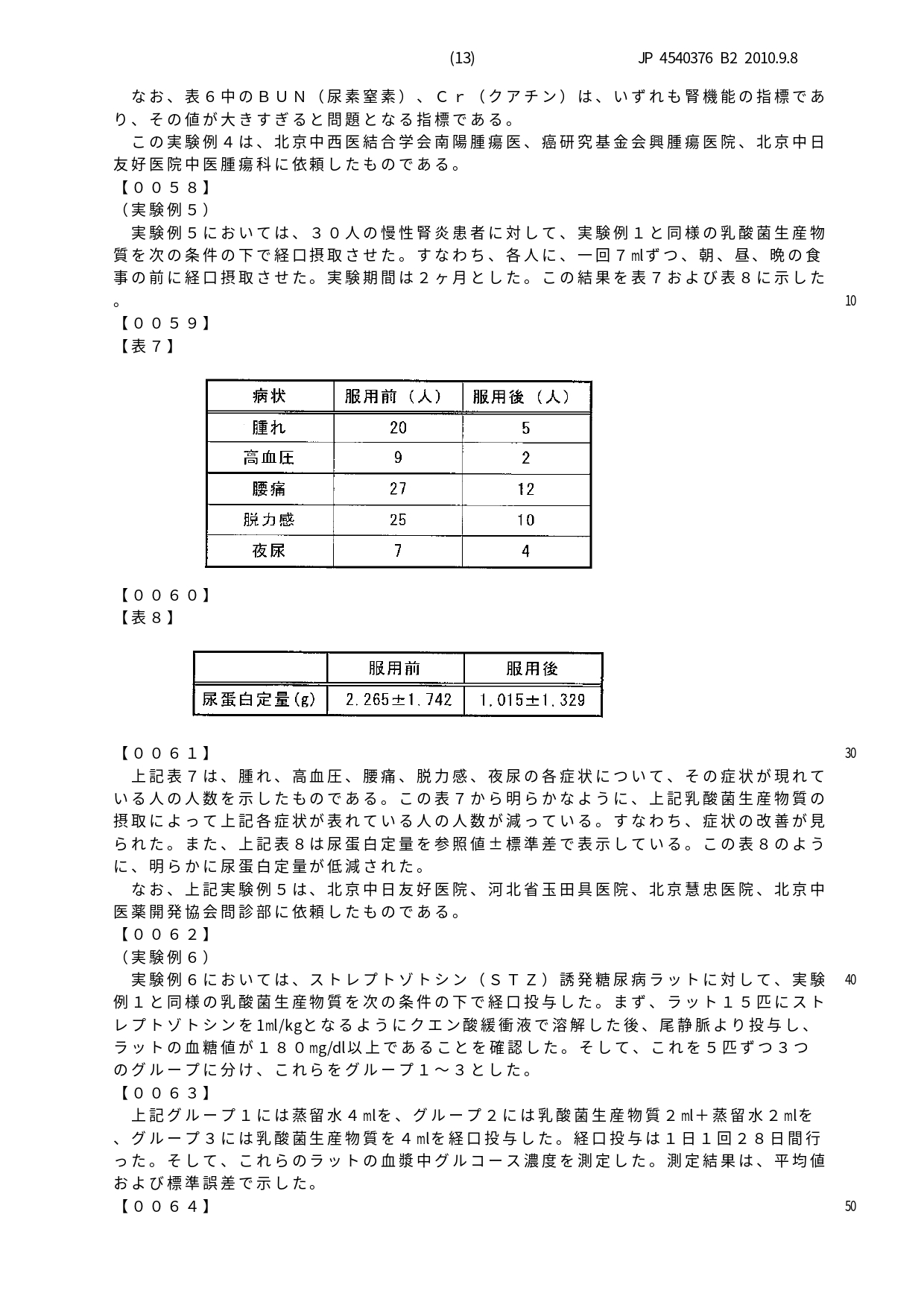
2025-03-19 10:33